कार्बन स्टील सीलिंग क्लिनिंग नट्स एक प्रकार का फास्टनर है जिसका उपयोग पतली प्लेटों या शीट धातुओं को जोड़ने के लिए किया जाता है। वे कार्बन स्टील से बने होते हैं, कठोरता को बढ़ाने के लिए तड़के और बुझाते हैं, और सतह जस्ती होती है या अन्यथा क्षरण-प्रतिरोधी बनाई जाती है।
सीलिंग क्लिनिंग नट बहुत सीधा है, आप मानक वायवीय या हाइड्रोलिक क्लिनिंग टूल का उपयोग कर सकते हैं। यहां बताया गया है कि यह कैसे काम करता है: सबसे पहले, अखरोट को एक पूर्व-पंच छेद में डालें, फिर दबाव लागू करने के लिए एक पंच और डाई सेट का उपयोग करें। डाई अखरोट के क्लिनिक कॉलर के चारों ओर शीट धातु को दबाता है, एक त्वरित कदम में एक ठोस यांत्रिक लॉक बनाता है।
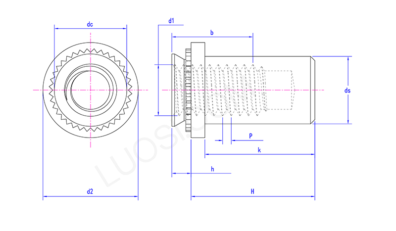
| सोम | एम 3-1 | एम 3-2 | एम 4-1 | एम 4-2 | एम 5-1 | एम 5-2 | एम 6-1 | एम 6-2 |
| P | 0.5 | 0.5 | 0.7 | 0.7 | 0.8 | 0.8 | 1 | 1 |
| डीएस मैक्स | 3.84 | 3.84 | 5.2 | 5.2 | 6.35 | 6.35 | 8.75 | 8.75 |
| डीसी मैक्स | 4.2 | 4.2 | 5.38 | 5.38 | 6.33 | 6.33 | 8.73 | 8.73 |
| बी मिन | 5.3 | 5.3 | 7.1 | 7.1 | 7.1 | 7.1 | 7.8 | 7.8 |
| एच मैक्स | 0.91 | 1.38 | 0.97 | 1.38 | 0.97 | 1.38 | 1.38 | 1.38 |
| एच मैक्स | 9.85 | 9.85 | 11.45 | 11.45 | 11.45 | 11.45 | 14.55 | 14.55 |
| एच मिन | 9.35 | 9.35 | 10.95 | 10.95 | 10.95 | 10.95 | 14.05 | 14.05 |
| के मैक्स | 8.5 | 8.5 | 9.8 | 9.8 | 9.8 | 9.8 | 12.7 | 12.7 |
| डी 2 मैक्स | 6.6 | 6.6 | 8.2 | 8.2 | 9 | 9 | 11.35 | 11.35 |
| डी 2 मिनट | 6.1 | 6.1 | 7.7 | 7.7 | 8.5 | 8.5 | 10.85 | 10.85 |
| डी 1 | एम 3 | एम 3 | एम 4 | एम 4 | एम 5 | एम 5 | एम 6 | एम 6 |
कार्बन स्टील सीलिंग क्लिनिकिंग नट को प्रमुख मापों द्वारा परिभाषित किया जाता है: थ्रेड आकार (जैसे M4, M5, M6, या 1/4 "-20), क्लिनिक कॉलर व्यास, कुल ऊंचाई, सीलिंग वॉशर आयाम, और शीट मोटाई रेंज वे (न्यूनतम और अधिकतम दोनों) के साथ काम करते हैं।
उनकी क्लिनिक ताकत (कितनी अच्छी तरह से बाहर धकेल दिया जा रहा है या बंद किया जा रहा है) को उद्योग के मानकों (थिंक आईएसओ, डीआईएन, आईएफआई) के खिलाफ परीक्षण किया गया है। सही आकार चुनना एक बड़ी बात है, यह सुनिश्चित करता है कि सील होल्ड हो और अखरोट नौकरी के लिए पर्याप्त मजबूत है।
कार्बन स्टील सीलिंग क्लिनिंग नट को स्थापित करने के लिए, आपको एक विशेष क्लिनिंग टूल और डाई सेट की आवश्यकता होती है जो वास्तव में अखरोट के आकार से मेल खाता है। सबसे पहले, नट को शीट धातु में एक पूर्व-पंच छेद में डालें। फिर उपकरण नियंत्रित दबाव लागू करता है, जो अखरोट के पायलट और न्यूरल को आसपास की धातु में सिंक बनाता है। यह ठंडा बनाने की प्रक्रिया अच्छे के लिए स्टेनलेस स्टील नट को जगह में बंद कर देती है और साथ ही, यह पैनल के खिलाफ अंतर्निहित सीलिंग वॉशर को स्क्विश करता है। यह कैसे है कि यह रिसाव-प्रूफ सील बनाता है जो इन नटों को अद्वितीय बनाता है।
