|
सोम |
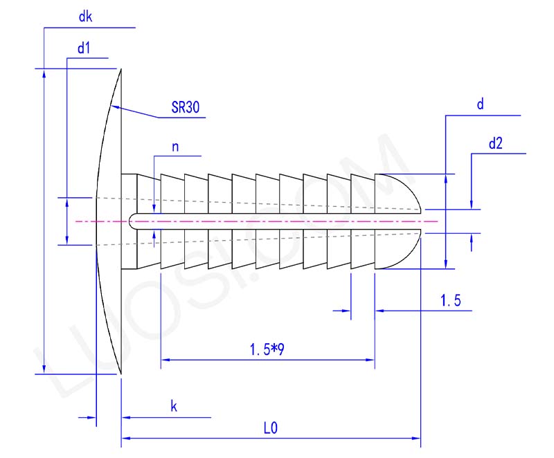
Φ6 |
Φ8 |
Φ10 |
|
डी अधिकतम |
6 | 8 | 10 |
|
डी मिनट |
5.8 | 7.8 | 9.8 |
|
डीके मैक्स |
16.2 | 16.2 | 18.2 |
|
डीके मिनट |
15.8 | 15.8 | 17.8 |
|
के अधिकतम |
1.6 | 1.6 | 2.1 |
|
के मिनट |
1.4 | 1.4 | 1.9 |
|
एल0 |
20 | 20 | 22 |
|
d1 |
3 | 4 | 5 |
|
डी2 |
1.5 | 2 | 3 |
|
n |
1 | 1 | 1.5 |
एक्सपैंडिंग रिवेट क्लिप रिटेनर एक उपयोगी प्लास्टिक फास्टनर है। यह सामान्य धातु कॉटर पिन के बजाय एक सुरक्षित, हल्के विकल्प के रूप में काम करता है जो जंग का प्रतिरोध करता है।
यह मूल रूप से एक बेलनाकार टुकड़ा है जिसके बीच में एक भाग है। आप इसे एक पूर्व-ड्रिल किए गए छेद के माध्यम से डालते हैं, फिर दोनों पैरों को मोड़कर क्लीविस पिन, शाफ्ट या लिंकेज जैसे हिस्सों को पकड़ते हैं। यह प्लास्टिक संस्करण धातु के घिसने, तेज किनारों और गैल्वेनिक जंग जैसी समस्याओं से छुटकारा दिलाता है।
विस्तारित रिवेट क्लिप रिटेनर का मुख्य लाभ सुरक्षा, हल्का होना और विभिन्न वातावरणों में टिके रहना है।
धातु पिनों के विपरीत, इसमें तेज गड़गड़ाहट की समस्या नहीं होती है जो इसे डालते या निकालते समय आपको काट सकती है। यह काफी हल्का है, जो एयरोस्पेस और कार उपयोग के लिए बहुत मायने रखता है।
इसके अलावा, विस्तारित कीलक क्लिप रिटेनर स्वाभाविक रूप से जंग और संक्षारण का प्रतिरोध करता है। इसका उपयोग गीले स्थानों में, रसायनों के आसपास, या जहां बिजली अपर्याप्त है, और जहां धातु की सुइयां खराब हो सकती हैं या समस्या पैदा कर सकती हैं, में किया जा सकता है।

हमारे विस्तारित कीलक क्लिप रिटेनर की कतरनी ताकत का विशिष्ट मूल्य पिन के व्यास और विशिष्ट सामग्री ग्रेड के आधार पर अलग-अलग होगा।
इसे बहुत सारे कंपन और गतिशील भार को संभालने के लिए डिज़ाइन किया गया है, जो मशीनरी, कार के पुर्जों और असेंबली लाइनों में आम हैं।
सामग्री में स्वाभाविक रूप से कुछ लचीलापन और स्प्रिंगनेस होती है, जो इसे झटके को अवशोषित करने में मदद करती है। यह इसे कई कठिन वातावरणों में धातु पिनों के लिए एक विश्वसनीय प्रतिस्थापन बनाता है, यह आसानी से खराब नहीं होता है, और यह इससे जुड़े हिस्सों पर घिसाव भी कम करता है।
