घर > उत्पादों > पेंच > हेक्सागोन हेड फ्लैंज बोल्ट > निकला हुआ किनारा के साथ षट्कोण बोल्ट
        निकला हुआ किनारा के साथ षट्कोण बोल्ट
        • निकला हुआ किनारा के साथ षट्कोण बोल्टनिकला हुआ किनारा के साथ षट्कोण बोल्ट
        • निकला हुआ किनारा के साथ षट्कोण बोल्टनिकला हुआ किनारा के साथ षट्कोण बोल्ट
        • निकला हुआ किनारा के साथ षट्कोण बोल्टनिकला हुआ किनारा के साथ षट्कोण बोल्ट

        निकला हुआ किनारा के साथ षट्कोण बोल्ट

        ज़ियागुओ® द्वारा उत्पादित फ़्लैंज वाले हेक्सागोन बोल्ट पर दुनिया भर के ग्राहकों द्वारा भरोसा किया जाता है। संपूर्ण उत्पादन प्रक्रिया में सख्त नियंत्रण लागू किया गया है। यदि आप कीमतों के बारे में पूछताछ करना चाहते हैं, तो कृपया हमसे संपर्क करें।
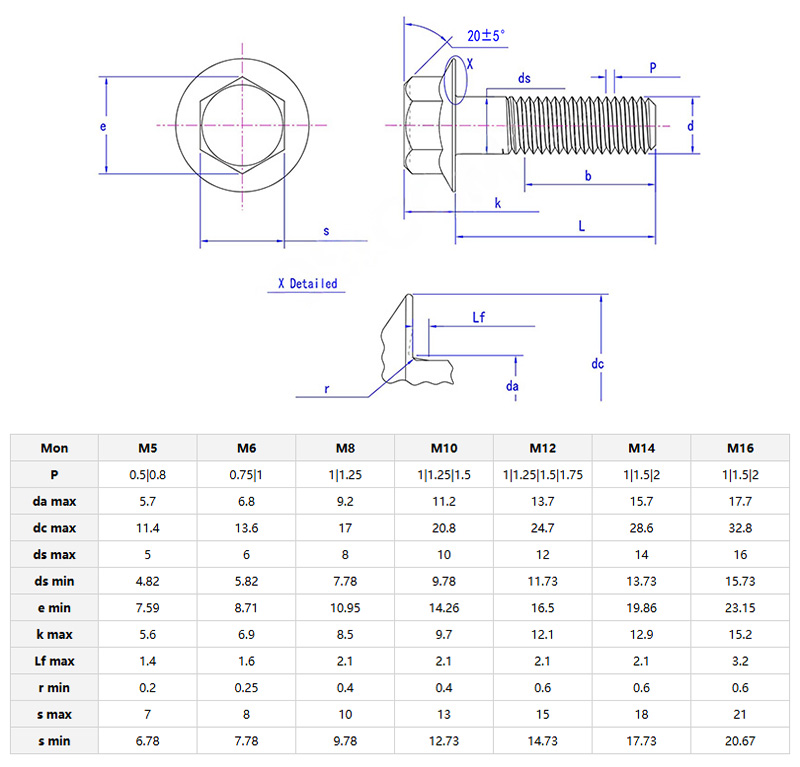
        नमूना:ISO 15071-1999

        जांच भेजें

        उत्पाद वर्णन

        नीचेनिकला हुआ किनारा के साथ षट्कोण बोल्ट, डिस्क की तरह एक निकला हुआ किनारा है। यह चीजों को जोड़ते समय बोल्ट को एक विशेष भूमिका निभाने में सक्षम बनाता है। इस प्रकार का बोल्ट कई स्थानों पर भूमिका निभा सकता है जहां कनेक्शन की आवश्यकताएं अपेक्षाकृत अधिक हैं।

        Hexagon Bolts With Flange

        अनुप्रयोग और पैरामीटर

        निकला हुआ किनारा के साथ षट्कोण बोल्टबारिश और जंग को रोका जा सकता है। हॉट-डिप गैल्वनाइजिंग का सतही उपचार उन्हें बाड़, शेड या छत के फ्रेम के लिए उपयोग करने में सक्षम बनाता है। फ्लैंज प्लेटें बोल्ट को लकड़ी या पतली धातु में फंसने से रोक सकती हैं और उन्हें पॉलिशिंग उपचार की आवश्यकता नहीं होती है। वे पिछवाड़े की इमारतों के लिए उपयुक्त हैं।

        धूल भरी कार्यशालाओं और खेतों में उपयोग किया जाता है। दाँतेदार निकला हुआ किनारा जंग लगे जोड़ को मजबूती से पकड़ सकता है, और हेक्सागोनल सिर उच्च टोक़ के तहत भी नहीं गिरेगा। इनका उपयोग ट्रैक्टर, अनाज साइलो और हेवी-ड्यूटी अलमारियों में किया जा सकता है।


        मोटी निकला हुआ किनारा प्लेट संरचना पर एकीकृत हैनिकला हुआ किनारा के साथ हेक्सागोनल बोल्ट, अक्षीय भार फैलाव फ़ंक्शन के साथ हेक्सागोनल हेड की ड्राइविंग विशेषताओं का संयोजन। उदाहरण के तौर पर औद्योगिक मोटरों को लें। ऑपरेशन के दौरान उत्पन्न कंपन आसानी से पारंपरिक फास्टनरों के खराब होने या प्रीलोड क्षीणन का कारण बन सकता है। हेक्सागोन हेड फ्लैंज बोल्ट, फ्लैंज प्लेट के भिगोना प्रभाव और संपर्क सतह पर दबाव वितरण के अनुकूलन के माध्यम से कनेक्शन इंटरफ़ेस में कंपन ऊर्जा के संचरण को प्रभावी ढंग से दबा सकता है।

        Hexagon Bolts With Flange

        उत्पाद विक्रय बिंदु

        का सबसे बड़ा विक्रय बिंदुनिकला हुआ किनारा के साथ षट्कोण बोल्टयह है कि कनेक्शन स्थिर है और यह दबाव को प्रभावी ढंग से फैला सकता है। वे जुड़ी हुई वस्तुओं के साथ संपर्क क्षेत्र को बढ़ाते हैं। कसने पर, बल को समान रूप से वितरित किया जा सकता है, जिससे कनेक्शन अधिक सुरक्षित हो जाता है और सामग्री को नुकसान कम हो जाता है। इसमें कंपन का विरोध करने की अधिक मजबूत क्षमता होती है।


        हॉट टैग: निकला हुआ किनारा के साथ हेक्सागोन बोल्ट, चीन, निर्माता, आपूर्तिकर्ता, फैक्टरी
        संबंधित श्रेणी
        जांच भेजें
        कृपया नीचे दिए गए फॉर्म में अपनी पूछताछ देने के लिए स्वतंत्र महसूस करें। हम आपको 24 घंटों में जवाब देंगे।
        X
        हम आपको बेहतर ब्राउज़िंग अनुभव प्रदान करने, साइट ट्रैफ़िक का विश्लेषण करने और सामग्री को वैयक्तिकृत करने के लिए कुकीज़ का उपयोग करते हैं। इस साइट का उपयोग करके, आप कुकीज़ के हमारे उपयोग से सहमत हैं। गोपनीयता नीति
        अस्वीकार करना स्वीकार करना