बीडी शेकल्स टाइप करें
        • बीडी शेकल्स टाइप करेंबीडी शेकल्स टाइप करें
        • बीडी शेकल्स टाइप करेंबीडी शेकल्स टाइप करें
        • बीडी शेकल्स टाइप करेंबीडी शेकल्स टाइप करें
        • बीडी शेकल्स टाइप करेंबीडी शेकल्स टाइप करें
        • बीडी शेकल्स टाइप करेंबीडी शेकल्स टाइप करें
        • बीडी शेकल्स टाइप करेंबीडी शेकल्स टाइप करें

        बीडी शेकल्स टाइप करें

        टाइप बीडी शेकल्स एक प्रकार की रिगिंग है जिसका उपयोग फिक्सिंग के लिए किया जाता है। इसका उपयोग जहाजों को ठीक करने के लिए किया जा सकता है, निर्माण उद्योग, भारी उपकरणों में किया जा सकता है और ऑफ-रोड वाहनों पर भी स्थापित किया जा सकता है। ज़ियागुओ® फैक्ट्री की आपूर्ति श्रृंखला पारदर्शी है, कड़ाई से परीक्षण की गई है, और अंतरराष्ट्रीय लोड-बेयरिंग मानकों को पूरा करती है।
        नमूना:JIS B2801-3-1977

        जांच भेजें

        उत्पाद वर्णन

        टाइप बीडी शेकल्स उच्च-तन्यता वाले मिश्र धातु इस्पात से बने होते हैं। अचानक, भारी भार उठाने पर सामग्री भंगुर नहीं होती है, और इसकी बारीक बनावट इसे बार-बार तनाव में लंबे समय तक चलने में मदद करती है।ज़ियागुओ®मिश्रधातु को कठोर बनाने के लिए उसे गर्म करें, जिससे खरोंच और सतह की क्षति का प्रतिरोध करने के लिए एचआरसी 40-45 की कठोरता तक पहुंच सके।

        इन सबके कारण, कई बार अत्यधिक तनाव में रहने के बाद भी बंधन मजबूत रहता है, इसलिए आप इसके लंबे समय तक चलने पर भरोसा कर सकते हैं।

        आवेदन

        टाइप बीडी शेकल्स का उपयोग अक्सर वहां किया जाता है जहां भार को सुरक्षित रूप से प्रबंधित करने की आवश्यकता होती है, जैसे जहाजों को अपतटीय बांधना, थिएटरों में हेराफेरी स्थापित करना या भारी मशीनरी को असेंबल करना। उनकी जंग प्रतिरोधी कोटिंग उन्हें अपतटीय कार्यों के लिए आदर्श बनाती है, जैसे जहाज और किनारे के बीच माल परिवहन करना या पानी के नीचे बचाव कार्य करना।

        निर्माण उद्योग में, बीडी झोंपड़ियों का उपयोग क्रेन हुक को स्टील बीम या प्रीकास्ट कंक्रीट तत्वों से जोड़ने के लिए किया जाता है। आउटडोर उत्साही जो ऑफ-रोड वाहन रिकवरी करते हैं, वे भी इन झोंपड़ियों पर निर्भर होते हैं क्योंकि वे अचानक झटके को संभाल सकते हैं। चाहे वह औद्योगिक विनिर्माण हो या पवन टरबाइन स्थापित करने जैसी नवीकरणीय ऊर्जा परियोजनाएं, ये बंधन भारी भार उठाने वाली प्रणालियों में एक विश्वसनीय कनेक्शन प्रदान करते हैं।

        सामग्री

        प्रश्न: बीडी शेकल्स में किस सामग्री का उपयोग किया जाता है, और वे संक्षारण का विरोध कैसे करते हैं?

        ए:बीडी प्रकार के बंधन कार्बन स्टील से बने होते हैं जिन्हें गर्मी से उपचारित किया जाता है, इसलिए वे काफी सख्त होते हैं और आसानी से खराब नहीं होते हैं। जंग को रोकने के लिए, उन पर हॉट-डिपिंग द्वारा जिंक की परत लगाई जाती है, इससे उन्हें खारे पानी या नम क्षेत्रों में बिना जंग लगे जीवित रहने में मदद मिलती है।

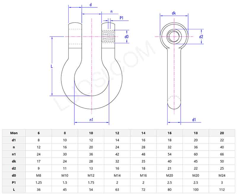
        Type BD shackles parameter

        हॉट टैग: टाइप बीडी शेकल्स, चीन, निर्माता, आपूर्तिकर्ता, फैक्टरी
        संबंधित श्रेणी
        जांच भेजें
        कृपया नीचे दिए गए फॉर्म में अपनी पूछताछ देने के लिए स्वतंत्र महसूस करें। हम आपको 24 घंटों में जवाब देंगे।
        X
        हम आपको बेहतर ब्राउज़िंग अनुभव प्रदान करने, साइट ट्रैफ़िक का विश्लेषण करने और सामग्री को वैयक्तिकृत करने के लिए कुकीज़ का उपयोग करते हैं। इस साइट का उपयोग करके, आप कुकीज़ के हमारे उपयोग से सहमत हैं। गोपनीयता नीति
        अस्वीकार करना स्वीकार करना