हार्डवेयर उपकरण रोलिंग नट
        • हार्डवेयर उपकरण रोलिंग नटहार्डवेयर उपकरण रोलिंग नट
        • हार्डवेयर उपकरण रोलिंग नटहार्डवेयर उपकरण रोलिंग नट

        हार्डवेयर उपकरण रोलिंग नट

        सिस्टम अनुपालन और सुरक्षा सुनिश्चित करें। XIAO GUO हार्डवेयर टूल्स रोलिंग नट CE प्रमाणित उत्पाद कठोर मानकों को पूरा करता है। हमारे नट्स को मांग वाले औद्योगिक वातावरण में विश्वसनीय, दीर्घकालिक संचालन के लिए इंजीनियर किया गया है।

        जांच भेजें

        उत्पाद वर्णन

        हार्डवेयर टूल्स के लिए हार्डवेयर टूल्स रोलिंग नट की विशिष्टताओं में मुख्य रूप से आंतरिक धागे का आकार और बाहरी व्यास शामिल हैं। धागे का आकार एम2 से एम8 तक होता है, जो पतली शीट मेटल असेंबली के लिए सबसे आम है। बाहरी व्यास इन धागों से मेल खाते हैं—छोटे धागे छोटे व्यास के साथ चलते हैं, इसलिए वे पूर्व-ड्रिल किए गए छेदों में ठीक से फिट होते हैं। आप बस इसके साथ उपयोग किए जाने वाले बोल्ट के आकार के आधार पर चयन करें।

        ग्रेड सरल हैं: मानक ग्रेड और उच्च शक्ति ग्रेड। मानक ग्रेड फर्नीचर ब्रैकेट या इलेक्ट्रॉनिक्स केसिंग जैसे नियमित कार्यों के लिए काम करता है। उच्च शक्ति ग्रेड मोटे पदार्थ से बना होता है, जो उन मशीनों या भागों के लिए अच्छा होता है जिन्हें फिसले बिना अधिक बल सहन करने की आवश्यकता होती है।

        प्रत्येक नट की विशिष्टता और ग्रेड पैकेजिंग लेबल पर अंकित होती है, इसलिए सही अखरोट चुनना आसान होता है। कोई जटिल कोडिंग नहीं, केवल मूल संख्याएँ और शब्द। हार्डवेयर टूल्स रोलिंग नट के विनिर्देश और ग्रेड अधिकांश सामान्य शीट मेटल कार्य आवश्यकताओं को कवर करते हैं, कोई अतिरिक्त फैंसी विकल्प नहीं।

        Hardware Tools Rolling Nut

        उत्पाद गुणवत्ता नियंत्रण

        हम कच्चे माल की जांच से शुरुआत करते हैं। धातु के प्रत्येक बैच का दरारें, डेंट या कमजोर स्थानों के लिए निरीक्षण किया जाता है। केवल योग्य सामग्री ही उत्पादन में आती है—यह गुणवत्ता बनाए रखने का पहला कदम है।

        उत्पादन के दौरान, हम नियमित रूप से स्पॉट जांच करते हैं। हम पहले धागे की सटीकता को देखते हैं; उन्हें बिना तंग या ढीले धब्बों के बोल्ट को आसानी से फिट करने की आवश्यकता है। हम यह सुनिश्चित करने के लिए अक्सर बाहरी व्यास और मोटाई भी मापते हैं कि वे मानक विशिष्टताओं से मेल खाते हैं। सतह के उपचार की भी जाँच की जाती है, यह सुनिश्चित करते हुए कि कोई पतली प्लेटिंग या छूटा हुआ क्षेत्र नहीं है जो जंग का कारण बन सकता है।

        शिपिंग से पहले, प्रत्येक बैच से यादृच्छिक नमूने इंस्टॉलेशन परीक्षणों से गुजरते हैं। हम उन्हें धातु की शीट में दबाते हैं और परीक्षण करते हैं कि क्या वे फिसले बिना मजबूती से पकड़ में हैं। हम सतह पर किसी खरोंच या विकृति की भी जाँच करते हैं। हार्डवेयर टूल्स रोलिंग नट यह सुनिश्चित करने के लिए इन सरल लेकिन सख्त चरणों से गुजरता है कि यह दैनिक असेंबली कार्यों के लिए अच्छा काम करता है।

        प्रश्नोत्तर सत्र

        प्रश्न: क्या तटीय आर्द्र क्षेत्रों में इस पर आसानी से जंग लग जाएगा?

        उत्तर: यह सतह के उपचार पर निर्भर करता है। जिंक-प्लेटेड वाले उच्च आर्द्रता में 1-2 साल के बाद जंग खा सकते हैं। तटीय क्षेत्रों के लिए हॉट-डिप गैल्वेनाइज्ड या स्टेनलेस स्टील बेहतर हैं - वे 5-8 वर्षों तक नमक की धुंध और नमी का विरोध कर सकते हैं। यदि आपके उत्पादों का उपयोग बाहर किया जाता है, तो हम स्टेनलेस स्टील अखरोट चुनने का सुझाव देते हैं। हम आपके संदर्भ के लिए संक्षारण प्रतिरोध परीक्षण रिपोर्ट भी प्रदान कर सकते हैं।  

        Hardware Tools Rolling Nut


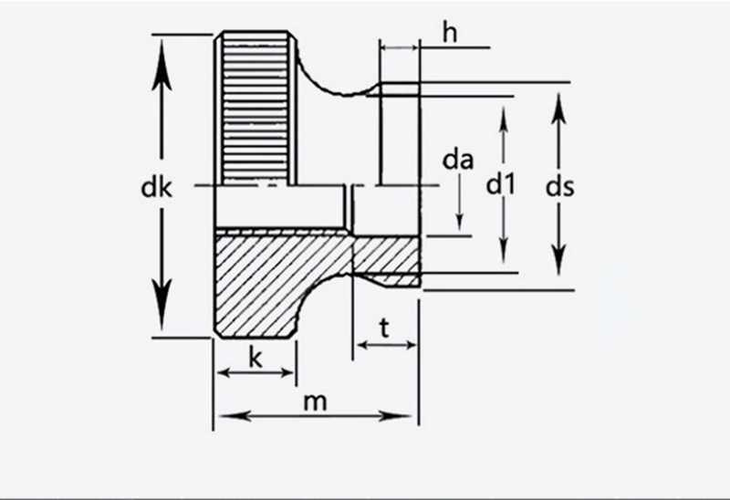
        आकार आवाज़ का उतार-चढ़ाव बहरी घेरा ऊंचाई k डी एस दा d1 T h
        अधिकतम मिन अधिकतम मिन अधिकतम मिन अधिकतम मिन अधिकतम
        एम3 0.5  11  10.7  6.64  2.8  5.7  3.5  3.2  5.2  1.2 
        एम 4 0.7  12  11.7  7.64  7.64  4.5  4.2  6.4  2.5  1.5 
        एम5 0.8  16  15.7  10  96.6  10  9.64  5.5  5.5 
        एम6 20  19.7  12  11.6  12  11.6  6.56  6.2  11  2.5 
        एम8 1.25  24  23.7  16  15.6  16  15.6  8.86  8.5  13 
        एम10 1.5 30 29.7 20 19.5 8 20 19.5 10.9 10.5 17.2 6.5 3.8
        हॉट टैग: हार्डवेयर उपकरण रोलिंग नट, चीन, निर्माता, आपूर्तिकर्ता, फैक्टरी
        संबंधित श्रेणी
        जांच भेजें
        कृपया नीचे दिए गए फॉर्म में अपनी पूछताछ देने के लिए स्वतंत्र महसूस करें। हम आपको 24 घंटों में जवाब देंगे।
        X
        हम आपको बेहतर ब्राउज़िंग अनुभव प्रदान करने, साइट ट्रैफ़िक का विश्लेषण करने और सामग्री को वैयक्तिकृत करने के लिए कुकीज़ का उपयोग करते हैं। इस साइट का उपयोग करके, आप कुकीज़ के हमारे उपयोग से सहमत हैं। गोपनीयता नीति
        अस्वीकार करना स्वीकार करना