घर > उत्पादों > नत्थी करना > राउंड पिन > उच्च तन्यता वाले क्लीविस पिन
      उच्च तन्यता वाले क्लीविस पिन
      • उच्च तन्यता वाले क्लीविस पिनउच्च तन्यता वाले क्लीविस पिन
      • उच्च तन्यता वाले क्लीविस पिनउच्च तन्यता वाले क्लीविस पिन

      उच्च तन्यता वाले क्लीविस पिन

      इस उच्च तन्यता वाले क्लीविस पिन को कई बार अलग किया जा सकता है और पुनः स्थापित किया जा सकता है, जिससे यह पुन: उपयोग के लिए फायदेमंद हो जाता है। आप आत्मविश्वास से ज़ियागुओ से हाई टेन्साइल क्लीविस पिन ऑर्डर कर सकते हैं, और आपको गारंटीकृत गुणवत्ता के साथ एक उत्कृष्ट अनुभव प्राप्त होगा।

      जांच भेजें

      उत्पाद वर्णन

      यदि आवश्यक हो तो हम इन उच्च तन्यता वाले क्लीविस पिन के लिए एक निरीक्षण प्रमाणपत्र प्रदान कर सकते हैं। प्रमाणपत्र मुख्य परीक्षण परिणामों को सूचीबद्ध करता है: सामग्री किस चीज से बनी है, इसके यांत्रिक गुण जैसे ताकत और कठोरता, और पुष्टि करता है कि सभी महत्वपूर्ण आयाम सही हैं। इसमें यह भी बताया गया है कि उत्पाद ISO 2341 जैसे किन मानकों को पूरा करता है।

      प्रत्येक प्रमाणपत्र एक विशिष्ट उत्पादन बैच के लिए होता है और उसकी एक विशिष्ट संख्या होती है ताकि उसका पता लगाया जा सके। यह एक रिकॉर्ड है जो दिखाता है कि पिन ने सामग्री से लेकर तैयार उत्पाद तक मानक जांच पास कर ली है। अपने हाई टेन्साइल क्लीविस पिन के साथ प्रमाणपत्र प्राप्त करना एक विकल्प है, जो उन नौकरियों के लिए उपयोगी है जिनके लिए औपचारिक कागजी कार्रवाई की आवश्यकता होती है, चाहे वह रोजमर्रा के औद्योगिक उपयोग के लिए हो या अधिक मांग वाले अनुप्रयोगों के लिए।

      High Tensile Clevis Pins

      उत्पाद उपयोग

      इस प्रकार के पिन का उपयोग आमतौर पर उन मशीनों में घटकों को जोड़ने के लिए किया जाता है जिन्हें रोटेशन या पिवोटिंग की आवश्यकता होती है। विभिन्न औद्योगिक उपकरणों में, इसका उपयोग अक्सर ब्रैकेट, छड़ या लीवर को जोड़ने के लिए किया जाता है, ऑटोमोबाइल और ट्रकों में, इसका उपयोग निलंबन घटकों, ब्रेक लिंकेज, स्टीयरिंग डिवाइस आदि के लिए किया जाता है।

      ट्रैक्टर हल और हार्वेस्टर जैसे कृषि उपकरण भी इसका उपयोग करते हैं। एयरोस्पेस में, इसका उपयोग विमान प्रणालियों में कुछ गतिशील भागों के लिए किया जा सकता है। यह नावों, हेराफेरी और कुछ इंजन भागों में भी पाया जाता है, क्योंकि यह अपनी जगह पर अच्छी तरह से बंद रहता है।

      मूल रूप से, हाई टेन्साइल क्लीविस पिन वहां काम आते हैं जहां आपको एक ठोस कनेक्शन की आवश्यकता होती है जिसे आपको बाद में अलग करने की भी आवश्यकता हो सकती है, और जो झटकों और नियमित उपयोग को संभाल सकता है।

      प्रश्नोत्तर सत्र

      प्रश्न: आपके उच्च-शक्ति स्प्लिट पिन के लिए मानक पैकेजिंग क्या है?

      उत्तर: हम आम तौर पर उच्च शक्ति वाले स्प्लिट पिन को पैकेज करने के लिए मजबूत कार्डबोर्ड बक्से का उपयोग करते हैं, और पैकेजिंग विधि को आम तौर पर आकार और मात्रा से विभाजित किया जाता है (उदाहरण के लिए, प्रति बॉक्स 100 टुकड़े)।

      थोक ऑर्डर के लिए, हम सुरक्षित परिवहन और हैंडलिंग में आसानी सुनिश्चित करने के लिए उच्च शक्ति वाले स्प्लिट पिन को मुख्य कार्टन में पैक करेंगे और उन्हें फूस पर रखेंगे।

      High Tensile Clevis Pins


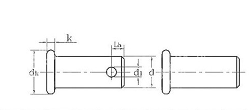
      इकाई:मिमी
      d अधिकतम 3 4 5 6 8 10 12 14 16 18 20
      मिन 2.94 3.925 4.925 5.925 7.91 9.91 11.89 13.89 15.89 17.89 19.87
      डीके अधिकतम 5 6 8 10 12 14 16 18 20 22 25
      मिन 4.7 5.7 7.64 9.64 11.57 13.57 15.57 17.57 19.48 21.48 24.48
      k नामांकितएल 1.5 2 2.5 3 3.5 4
      अधिकतम 1.625 2.125 2.625 3.125 3.65 4.15
      मिन 1.375 1.875 2.375 2.875 3.35 3.85
      d1 मिन 1.6 2 3.2 4 5 5
      अधिकतम 1.74 2.14 3.38 4.18 5.18 5.18
      एलएच मिनट 1.6 2.2 2.9 3.2 3.5 4.5 5.5 6 6 7 8




      हॉट टैग: उच्च तन्यता वाले क्लीविस पिन, चीन, निर्माता, आपूर्तिकर्ता, फैक्टरी
      संबंधित श्रेणी
      जांच भेजें
      कृपया नीचे दिए गए फॉर्म में अपनी पूछताछ देने के लिए स्वतंत्र महसूस करें। हम आपको 24 घंटों में जवाब देंगे।
      X
      We use cookies to offer you a better browsing experience, analyze site traffic and personalize content. By using this site, you agree to our use of cookies. Privacy Policy
      Reject Accept