के लिएबोल्ट निर्धारण के साथ लॉकिंग कॉलर, आप अपनी आवश्यकता के आधार पर सामग्री चुन सकते हैं। कार्बन स्टील (जैसे SAE 1070/1095) का उपयोग तब किया जाता है जब आपको कठिन कार्यों के लिए मजबूत सामग्री की आवश्यकता होती है। स्टेनलेस स्टील (एआईएसआई 304/316) उन जगहों पर अच्छा काम करता है जहां चीजें जंग खा सकती हैं या खराब हो सकती हैं। टाइटेनियम मिश्र धातु एयरोस्पेस सामग्री के लिए अच्छे हैं जहां उन्हें हल्के लेकिन मजबूत की आवश्यकता होती है। अत्यधिक तापमान वाली स्थितियों के लिए, चाहे बहुत गर्म हो या बहुत ठंडा, इनके लिए Inconel® जैसी विशेष सामग्री भी मौजूद है।
वे यह सुनिश्चित करने के लिए प्रत्येक सामग्री का सावधानीपूर्वक परीक्षण करते हैं - यह जाँचते हुए कि यह बिना टूटे (1500 एमपीए तक) कितना खिंच सकता है और समय के साथ कितना टूट-फूट झेल सकता है। सामग्रियों की विविधता का मतलब है कि यह रिटेनिंग रिंग अत्यधिक ठंडी जगहों से लेकर उच्च गर्मी वाले कारखानों तक, कई अलग-अलग वातावरणों में काम कर सकती है।
की देखभालबोल्ट निर्धारण के साथ लॉकिंग कॉलरइसका मतलब है बोल्ट की जकड़न, सतह की टूट-फूट, या जंग की नियमित जांच करना। रखरखाव के दौरान, बोल्ट को निर्माता के अनुशंसित टॉर्क (आमतौर पर 20-50 एनएम) तक कस लें। मलबे को पोंछने के लिए सौम्य क्लीनर का उपयोग करें और धागों पर कुछ एंटी-सेज़ ग्रीस लगा दें ताकि बाद में इन्हें अलग करना आसान हो जाए। यदि आपको दरारें दिखें या अंगूठी का आकार ख़राब हो, तो उसे बदल दें। रिंगों को स्थापित करने से पहले उन्हें क्षतिग्रस्त होने से बचाने के लिए नियंत्रित तापमान वाली सूखी जगह पर रखें। इस दिनचर्या को बनाए रखने से उन्हें बेहतर काम करने में मदद मिलती है और वे 30% तक लंबे समय तक टिके रह सकते हैं।

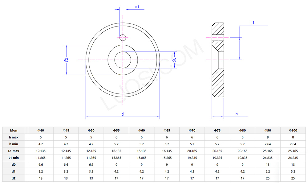
प्रश्न: मैं इसका सही आकार कैसे निर्धारित करूं?बोल्ट निर्धारण के साथ लॉकिंग कॉलरमेरे शाफ़्ट व्यास के लिए?
उत्तर: सही चुननाबोल्ट निर्धारण के साथ लॉकिंग कॉलरआपके शाफ्ट की मोटाई (OD) और धागे के प्रकार पर निर्भर करता है। अपने शाफ्ट की मोटाई मापकर शुरुआत करें और इसकी तुलना निर्माता के आकार गाइड से करें। ध्यान देने योग्य मुख्य बातें: कॉलर का आंतरिक आकार शाफ्ट के धागे, बोल्ट के आकार और कॉलर कितना मोटा है, से मेल खाना चाहिए। यदि आपका शाफ्ट थ्रेडेड नहीं है, तो आपको पहले थ्रेड्स जोड़ने की आवश्यकता होगी। हमेशा दोबारा जांचें कि धागे मीट्रिक हैं या इंपीरियल - उन्हें मिलाने से सिरदर्द होता है। विषम आकार के शाफ्ट के लिए, कस्टम कॉलर मौजूद हैं लेकिन उनमें अतिरिक्त समय और पैसा लगेगा।
हमारे बोल्ट-फ़िक्स्ड लॉकिंग कॉलर मुख्य रूप से कार्बन स्टील से बने होते हैं। हम इस सामग्री को चुनते हैं क्योंकि इसमें अच्छी कठोरता और पहनने का प्रतिरोध है, जो उत्पाद की बुनियादी उपयोग आवश्यकताओं को पूरा कर सकता है।
उत्पादों को फैक्ट्री छोड़ने से पहले, हम उनकी सतहों को जंग रोधी परत से कोट करते हैं। यह उपचार कॉलर को नमी वाले वातावरण में उपयोग करने या लंबे समय तक संग्रहीत करने पर जंग लगने से बचाता है।
जिन ग्राहकों को बेहतर संक्षारण प्रतिरोध की आवश्यकता होती है, उनके लिए हमारे पास स्टेनलेस स्टील जैसी वैकल्पिक सामग्री भी है। उत्पाद की सामग्री की मोटाई मानक भार वहन आवश्यकताओं के आधार पर डिज़ाइन की गई है, इसलिए यह सामान्य उपयोग के दौरान ख़राब या टूटेगी नहीं।
बोल्ट वाला हिस्सा कॉलर के समान सामग्री से बना है, इसलिए पूरे उत्पाद में लगातार प्रदर्शन और स्थिरता है।
हमारे बोल्ट-फ़िक्स्ड लॉकिंग कॉलर की शिपिंग लागत इस बात पर निर्भर करती है कि आप उन्हें कहाँ भेज रहे हैं, आप कौन सी शिपिंग विधि चुनते हैं और आप कितने ऑर्डर करते हैं।
यदि आप मानक लॉजिस्टिक्स के साथ जाते हैं, तो लागत कम होती है, लेकिन डिलीवरी में थोड़ा अधिक समय लगता है - आमतौर पर 3 से 7 कार्य दिवस। त्वरित ऑर्डर के लिए, आप एक्सप्रेस डिलीवरी चुन सकते हैं, लेकिन इसकी लागत अधिक होगी। सटीक अतिरिक्त शुल्क इस बात पर निर्भर करता है कि शिपमेंट को कितनी दूर तक जाना है।
जब आपका ऑर्डर एक निश्चित मात्रा तक पहुंच जाता है, तो हम आपके लिए शिपिंग लागत को कवर करेंगे। प्रत्येक उत्पाद छोटा और हल्का है, इसलिए छोटे-बैच ऑर्डर पर भी बहुत अधिक शिपिंग शुल्क नहीं लगेगा।
इससे पहले कि हम कुछ भी बाहर भेजें, हम पारगमन के दौरान क्षति को रोकने के लिए कॉलर को ठीक से पैकेज करेंगे। और यह पैकेजिंग लागत पहले से ही शिपिंग शुल्क में शामिल है—आपको इसके लिए अतिरिक्त भुगतान नहीं करना होगा।
यदि आप सटीक शिपिंग लागत जानना चाहते हैं, तो बस हमारी ग्राहक सेवा टीम से पूछें। वे आपके विशिष्ट ऑर्डर विवरण के आधार पर इसकी गणना करेंगे।
प्रश्न: बोल्ट फिक्सेशन के साथ आपके लॉकिंग कॉलर के लिए MOQ और लीड टाइम क्या है, और क्या आप थोक ऑर्डर पर छूट प्रदान करते हैं?
ए: बोल्ट फिक्सेशन के साथ मानक लॉकिंग कॉलर के लिए न्यूनतम ऑर्डर मात्रा (एमओक्यू) 300 टुकड़े है, नियमित ऑर्डर के लिए 7-10 कार्य दिवसों का लीड टाइम है। 5000 से अधिक टुकड़ों के थोक ऑर्डर के लिए, हम आपकी खरीद लागत को कम करने के लिए स्तरीय छूट (3% -10% छूट) प्रदान करते हैं। बोल्ट फिक्सेशन के साथ अनुकूलित लॉकिंग कॉलर में 500 टुकड़ों का MOQ और नमूना सत्यापन और उत्पादन शेड्यूलिंग सहित 12-18 कार्य दिवस का लीड समय होता है।