डीआईएन 1804 नट
        • डीआईएन 1804 नटडीआईएन 1804 नट
        • डीआईएन 1804 नटडीआईएन 1804 नट

        डीआईएन 1804 नट

        चीन के आपूर्तिकर्ता और निर्माता ज़ियागुओ® DIN 1804 नट में माहिर हैं जिनका पुन: उपयोग किया जा सकता है। उत्पाद उच्च लागत-प्रभावशीलता प्रदान करता है और लंबी अवधि में रखरखाव लागत को प्रभावी ढंग से कम कर सकता है। यदि आप थोक में DIN 1804 नट्स खरीदते हैं, तो आपको अधिक अनुकूल कीमत मिलेगी।

        जांच भेजें

        उत्पाद वर्णन

        स्थापना उपकरण

        हालाँकि DIN 1804 नट की संरचना सरल है, सही स्थापना इसके लॉकिंग प्रदर्शन को सुनिश्चित करने की कुंजी है।

        (1) मुख्य उपकरण: हुक-प्रकार रिंच (उपयोग किया जाना चाहिए), सामान्य मानक DIN 1810 है।

        इसके विभिन्न रूप हैं:

        1) उभरी हुई नाक के साथ स्थिर प्रकार: DIN 1810 मानक के अनुरूप, यह सबसे व्यापक रूप से इस्तेमाल किया जाने वाला मानक विकल्प है।

        2) टिका हुआ/समायोज्य प्रकार: एक उपकरण कई विशिष्टताओं को कवर करता है, जो परिवर्तनीय कार्य स्थितियों वाली स्थितियों के लिए उपयुक्त है।

        3) किट प्रकार: जैसे कि 8-पीस सेट, जिसमें विभिन्न विशिष्टताएं शामिल हैं, जो केंद्रीकृत प्रबंधन और उपयोग की सुविधा प्रदान करती हैं।

        (2) सहायक उपकरण: टॉर्क रिंच: लॉकिंग बल का सटीक नियंत्रण सुनिश्चित करने के लिए, कई हुक-प्रकार के रिंच चौकोर जीभ इंटरफेस के साथ डिज़ाइन किए गए हैं जिन्हें टॉर्क रिंच से जोड़ा जा सकता है। (3) एंटी-लूज़िंग सहायक उपकरण: एंटी-लूज़िंग प्रभाव प्राप्त करने के लिए, नट को संबंधित एंटी-लूज़िंग डिवाइस, जैसे लॉकिंग वॉशर या थ्रेड लॉकिंग चिपकने वाला के साथ जोड़ा जाना चाहिए।

        DIN 1804 Nut

        स्थापना चरण

        (1) स्थापना से पहले तैयारी

        विनिर्देशों की पुष्टि करें: सुनिश्चित करें कि DIN 1804 नट का थ्रेड विनिर्देश शाफ्ट के अनुरूप है।

        सफाई निरीक्षण: शाफ्ट, नट धागे और कुंजी संभोग सतहों को अच्छी तरह से साफ करें, और किसी भी गड़गड़ाहट या क्षति की जांच करें।

        लोड-असर सतह की पुष्टि करें: स्थापना के दौरान, बारीक मशीनी सतह वाले नट के किनारे को वर्कपीस के बेयरिंग या अंतिम चेहरे का सामना करना चाहिए।

        (2) प्रारंभिक कसना

        मैनुअल इंसर्शन: नट को शाफ्ट सिरे के साथ पहले से संरेखित करें, और फिर इसे 2 से 3 मोड़ों के लिए हाथ से डालें।

        (3) ढीलापन रोधी उपकरण

        लॉकिंग वॉशर को एंटी-लूज़िंग योजना के अनुसार स्थापित करें (आंतरिक जीभ शाफ्ट पर कीवे के साथ संरेखित होनी चाहिए) या थ्रेड लॉकिंग चिपकने वाला लागू करें।

        (4)अंतिम कसना

        हुक रिंच की उभरी हुई नाक को नट के खांचे में सावधानी से डालें (ध्यान दें कि M45x1.5 विनिर्देश से शुरू करके, नट में 6 खांचे हैं, और आपको अधिक समान रूप से बल लगाने की आवश्यकता है)

        (5) लॉकिंग और पुष्टिकरण

        मैकेनिकल एंटी-लूज़िंग (लॉकिंग रिंग) का उपयोग करना: नट को कसने के बाद, रिंग की बाहरी जीभ को मोड़ें और मैकेनिकल लॉकिंग प्राप्त करने के लिए इसे नट के किसी भी स्लॉट में डालें।

        रासायनिक एंटी-लूज़िंग (थ्रेड लॉकिंग एडहेसिव) का उपयोग करें: इसे धागों को साफ करने के बाद और कसने से पहले लगाएं, और इसके ठीक होने तक प्रतीक्षा करें।

        अंतिम निरीक्षण: टॉर्क को दोबारा जांचने के लिए टॉर्क रिंच का उपयोग करें।

        DIN 1804 Nut

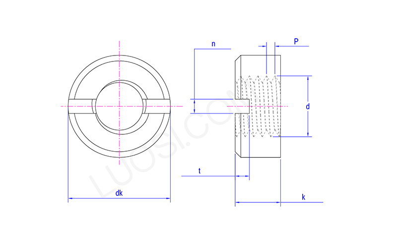
        सोम एम3.5 एम 4 एम5 एम6 एम8 एम10 एम12 एम14 एम16 एम18 एम20
        P 0.6 0.7 0.8 1 1.25 1.5 1.75 2 2 2.5 2.5
        डीके मैक्स 7 8 9 11 14 18 21 24 26 29 32
        डीके मिनट 6.64 7.64 8.64 10.57 13.57 17.57 20.48 23.48 25.48 28.48 31.38
        के अधिकतम 3 3.5 4.2 5 6.5 8 10 11 12 13 14
        के मिनट 2.75 3.2 3.9 4.7 6.14 7.64 9.64 10.57 11.57 12.57 13.57
        एन मिनट 1.46 1.46 2.06 2.56 3.06 3.57 4.07 4.07 4.07 4.07 5.07
        एन अधिकतम 1.71 1.71 2.31 2.81 3.31 3.87 4.37 4.37 4.37 4.37 5.37
        टी मिनट 1 1.2 15 2 2.5 3.2 3.8 3.8 3.8 4.8 4.8
        टी अधिकतम 1.40 1.60 1.90 2.4 3 3.7 4.3 4.3 4.3 5.5 5.5

        स्थापना निर्देश

        (1) लोड-असर सतहों को भ्रमित न करें: सुनिश्चित करें कि बारीक मशीनीकृत डी3 सतह निकट संपर्क में है, खुरदरी सतह उपकरण संचालन की दिशा का सामना कर रही है।

        (2) टॉर्क मान अत्यंत महत्वपूर्ण है: अत्यधिक उच्च टॉर्क धागे को नुकसान पहुंचा सकता है या शाफ्ट को ख़राब कर सकता है; अपर्याप्त रूप से उच्च टॉर्क के परिणामस्वरूप अपर्याप्त पूर्व-कसने वाला बल होता है, जिससे DIN 1804 नट के ढीले होने का खतरा होता है।

        (3) उपकरणों का उचित उपयोग: सुनिश्चित करें कि स्लॉट को नुकसान पहुंचाने से बचने के लिए सॉकेट रिंच का आकार नट के बाहरी व्यास से बिल्कुल मेल खाता है।

        (4) प्रीलोड बल को ध्यान में रखा जाना चाहिए: जब प्रीलोड का उपयोग करने के लिए उपयोग किया जाता है, तो पेशेवर तरीकों का उपयोग करके प्रीलोड बल को सटीक रूप से सेट करना आवश्यक होता है।

        (5) नियमित निरीक्षण: उपकरण के प्रारंभिक संचालन के दौरान या प्रमुख मरम्मत के बाद, ढीलेपन को रोकने के लिए नट की लॉकिंग स्थिति पर नियमित जांच करना आवश्यक है।

        हॉट टैग: डीआईएन 1804 नट, चीन, निर्माता, आपूर्तिकर्ता, कारखाना
        संबंधित श्रेणी
        जांच भेजें
        कृपया नीचे दिए गए फॉर्म में अपनी पूछताछ देने के लिए स्वतंत्र महसूस करें। हम आपको 24 घंटों में जवाब देंगे।
        X
        हम आपको बेहतर ब्राउज़िंग अनुभव प्रदान करने, साइट ट्रैफ़िक का विश्लेषण करने और सामग्री को वैयक्तिकृत करने के लिए कुकीज़ का उपयोग करते हैं। इस साइट का उपयोग करके, आप कुकीज़ के हमारे उपयोग से सहमत हैं। गोपनीयता नीति
        अस्वीकार करना स्वीकार करना