जीबी 812 नट
        • जीबी 812 नटजीबी 812 नट
        • जीबी 812 नटजीबी 812 नट

        जीबी 812 नट

        ज़ियागुओ® जीबी 812 नट का चीन आपूर्तिकर्ता है जो उत्कृष्ट ताकत और स्थायित्व का दावा करता है। उत्पाद स्वयं अत्यधिक भारी भार का सामना कर सकता है और अपनी सर्वोत्तम क्षमता से प्रदर्शन कर सकता है, और लंबे समय तक उपयोग के दौरान इसके ख़राब होने की संभावना नहीं है। कृपया उन्नत जीबी 812 नट चुनने का प्रयास करें। आप निश्चित रूप से सुखद आश्चर्यचकित होंगे!

        जांच भेजें

        उत्पाद वर्णन

        फैक्टरी निरीक्षण आइटम

        उत्पादित नट्स की विश्वसनीयता सुनिश्चित करने के लिए, हम जीबी 812 नट मानक के अनुसार सख्ती से परीक्षण करेंगे। परीक्षण चार प्रमुख पहलुओं पर ध्यान केंद्रित करेंगे: आकार, प्रदर्शन, सामग्री और उपस्थिति।

        (1) आयाम और सटीकता निरीक्षण

        आकार आयाम माप: अखरोट के बाहरी व्यास, आंतरिक व्यास और समग्र ऊंचाई को मापें। मापा गया मान सहनशीलता सीमा से अधिक नहीं होना चाहिए, और रिकॉर्ड के लिए तस्वीरें ली जानी चाहिए।

        स्लॉट आकार निरीक्षण: उपयोग किए जा रहे उपकरण के साथ अच्छी तरह से फिट होने को सुनिश्चित करने के लिए खांचे या पायदान की चौड़ाई, गहराई और व्यास की जांच करें।

        (2) थ्रेड सटीकता निरीक्षण

        थ्रेड गेज निरीक्षण: परीक्षण "थ्रेड गेज (GO)" और "स्टॉप गेज (NO-GO)" का उपयोग करके आयोजित किया जाता है। योग्य मानक इस प्रकार है: थ्रेड गेज को सुचारू रूप से और पूरी तरह से डालने में सक्षम होना चाहिए, जबकि स्टॉप गेज को अधिकतम 2 मोड़ पर डाला जा सकता है।

        थ्रेड पैरामीटर माप: सटीक उपकरणों का उपयोग करके, धागे का औसत व्यास, पिच विचलन और हेलिक्स कोण मापा जाता है।

        GB 812 Nut

        (3) यांत्रिक प्रदर्शन परीक्षण

        कठोरता परीक्षण: जीबी 812 नट के अंतिम भाग या किनारे पर कठोरता को मापने के लिए रॉकवेल (एचआरसी), ब्रिनेल (एचबीडब्ल्यू) या विकर्स (एचवी) कठोरता परीक्षक का उपयोग करें।

        अन्य प्रदर्शन परीक्षण: अनुप्रयोग आवश्यकताओं के आधार पर, इसके यांत्रिक गुणों का व्यापक मूल्यांकन करने के लिए तन्य शक्ति, प्रभाव क्रूरता और थकान जीवन जैसे अतिरिक्त परीक्षण भी आयोजित किए जा सकते हैं।

        (4) सतह की गुणवत्ता और सामग्री निरीक्षण

        सामग्री संरचना विश्लेषण: स्पेक्ट्रोस्कोपिक विश्लेषण जैसे तरीकों के माध्यम से, अखरोट की सामग्री को सत्यापित किया गया था।

        भूतल उपचार निरीक्षण:

        उपस्थिति और दोष: दृश्य निरीक्षण या आवर्धक लेंस का उपयोग करके अच्छी रोशनी में जांच करें। दरारें, गड़गड़ाहट, सिलवटें, जंग आदि, जो मजबूती को प्रभावित कर सकते हैं, मौजूद नहीं होने चाहिए।

        कोटिंग की गुणवत्ता: यदि उत्पाद में गैल्वनीकरण, कालापन, या डैक्रोमेट कोटिंग जैसे उपचार हुए हैं, तो कोटिंग की मोटाई (मोटाई गेज का उपयोग करके), आसंजन (जैसे खरोंच परीक्षण), और संक्षारण प्रतिरोध (नमक स्प्रे परीक्षण के माध्यम से) का परीक्षण करने की आवश्यकता है।

        GB 812 Nut

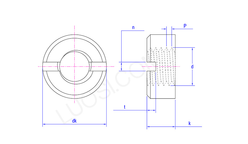
        सोम एम3.5 एम 4 एम5 एम6 एम8 एम10 एम12 एम14 एम16 एम18 एम20
        P 0.6 0.7 0.8 1 1.25 1.5 1.75 2 2 2.5 2.5
        डीके मैक्स 7 8 9 11 14 18 21 24 26 29 32
        डीके मिनट 6.64 7.64 8.64 10.57 13.57 17.57 20.48 23.48 25.48 28.48 31.38
        के अधिकतम 3 3.5 4.2 5 6.5 8 10 11 12 13 14
        के मिनट 2.75 3.2 3.9 4.7 6.14 7.64 9.64 10.57 11.57 12.57 13.57
        एन मिनट 1.46 1.46 2.06 2.56 3.06 3.57 4.07 4.07 4.07 4.07 5.07
        एन अधिकतम 1.71 1.71 2.31 2.81 3.31 3.87 4.37 4.37 4.37 4.37 5.37
        टी मिनट 1 1.2 15 2 2.5 3.2 3.8 3.8 3.8 4.8 4.8
        टी अधिकतम 1.40 1.60 1.90 2.4 3 3.7 4.3 4.3 4.3 5.5 5.5

        पैकेजिंग

        जीबी 812 नट की फ़ैक्टरी पैकेजिंग के लिए, हम जीबी/टी 90.2 मानक का पालन करेंगे। मुख्य आवश्यकता यह सुनिश्चित करना है कि उत्पाद लेबल पूर्ण हों, पैकेजिंग मजबूत हो, और यह परिवहन और भंडारण के दौरान पर्यावरणीय प्रभावों का सामना कर सके।

        (1) जंग-रोधी उपचार: बिना कोटिंग वाले उत्पादों को जंग-रोधी एजेंट के साथ लेपित किया जाना चाहिए।

        (2) पैकेजिंग फॉर्म: एकाधिक प्लास्टिक बक्से/बैग, जंग रोधी बैग/फिल्म। बाहरी पैकेजिंग आमतौर पर बुने हुए बैग, कार्डबोर्ड बॉक्स या लकड़ी के बक्से से बनी होती है (निर्यात जैसी विशेष आवश्यकताओं के लिए, कस्टम पैकेजिंग का उपयोग किया जा सकता है)

        (3) पैकेजिंग ताकत: वैज्ञानिक, मजबूत और किफायती सिद्धांतों का अनुपालन, परिवहन के दौरान क्षति से बचना (हम आपके साथ विशिष्ट विवरण निर्धारित करेंगे)

        (4) लेबल सामग्री: निर्माता, उत्पाद का नाम, मानक चिह्न, मात्रा/शुद्ध वजन, निर्माण की तारीख, गुणवत्ता चिह्न, आदि।

        (5) लेबल प्रारूप: कोई प्रतिबंध नहीं (प्रिंटिंग/एम्बॉसिंग/टेथरिंग/स्टिकिंग सभी स्वीकार्य हैं)

        हॉट टैग: जीबी 812 नट, चीन, निर्माता, आपूर्तिकर्ता, कारखाना
        संबंधित श्रेणी
        जांच भेजें
        कृपया नीचे दिए गए फॉर्म में अपनी पूछताछ देने के लिए स्वतंत्र महसूस करें। हम आपको 24 घंटों में जवाब देंगे।
        X
        हम आपको बेहतर ब्राउज़िंग अनुभव प्रदान करने, साइट ट्रैफ़िक का विश्लेषण करने और सामग्री को वैयक्तिकृत करने के लिए कुकीज़ का उपयोग करते हैं। इस साइट का उपयोग करके, आप कुकीज़ के हमारे उपयोग से सहमत हैं। गोपनीयता नीति
        अस्वीकार करना स्वीकार करना