पीसीबी बोर्ड के लिए ये यूएन रिवेटेड स्टड आमतौर पर कम कार्बन या स्टेनलेस स्टील, या एल्यूमीनियम जैसे अच्छे स्टील मिश्र धातुओं से बने होते हैं। उनमें ठोस यांत्रिक शक्ति होती है और वे समय के साथ टिके रहते हैं।
स्टील वाले सबसे अधिक तन्यता और कतरनी ताकत प्रदान करते हैं। दूसरी ओर, एल्युमीनियम वाले, बिजली का अच्छा संचालन करते हैं और हल्के होते हैं।
इन स्टड के लिए चुनी गई धातु का मतलब है कि वे भारी यांत्रिक भार, हीटिंग और कूलिंग चक्र से तनाव को संभाल सकते हैं, और उत्पाद के उपयोग के दौरान पूरे समय मजबूत रह सकते हैं।
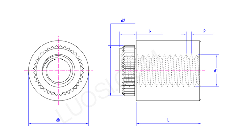
पीसीबी बोर्ड के लिए यूएन रिवेटेड स्टड एक स्थायी और उच्च शक्ति वाला फास्टनर है जिसका उपयोग मुद्रित सर्किट बोर्ड (पीसीबी) पर एक विश्वसनीय बाहरी थ्रेडेड फिक्सेशन बिंदु प्रदान करने के लिए किया जाता है। यहां, "यूएन" आम तौर पर "यूनिफ़ॉर्म नेशनल स्टैंडर्ड" का प्रतिनिधित्व करता है, जो मानकीकृत स्क्रू थ्रेड प्रकार (जैसे यूएनसी या यूएनएफ) का संदर्भ देता है, जो विभिन्न मानक नट्स के साथ इसकी संगतता सुनिश्चित करता है।
स्थापना प्रक्रिया तेज़ और कुशल है. पीसीबी बोर्ड पर पूर्व-ड्रिल किए गए छेद में स्टड डालें। फिर, स्टड के सपाट सिरे को विकृत करने के लिए एक समर्पित रिवेटिंग टूल का उपयोग करें, जिससे यह बाहर की ओर विस्तारित हो और कीलक सिर और स्टड के कंधे या निकला हुआ किनारा के बीच मजबूती से पकड़ बना सके, इस प्रकार वेल्डिंग की आवश्यकता के बिना एक मजबूत और कंपन-प्रतिरोधी कनेक्शन बनता है।
यह विधि उन परिदृश्यों के लिए विशेष रूप से उपयुक्त है जिनमें बड़े यांत्रिक तनाव को झेलने की आवश्यकता होती है, कई प्लग-इन संचालन से गुजरना पड़ता है, या जहां वेल्डिंग द्वारा उत्पन्न गर्मी संवेदनशील घटकों को नुकसान पहुंचा सकती है।
पीसीबी बोर्ड के लिए ये यूएन रिवेटेड स्टड कोल्ड फॉर्मिंग या रिवेटिंग विधि का उपयोग करके लगाए जाते हैं।
आप स्टड को पीसीबी में पूर्व-ड्रिल किए गए छेद के माध्यम से चिपकाते हैं। फिर एक विशेष रिवेटिंग उपकरण बोर्ड के नीचे एक डाई के खिलाफ स्टड के शैंक को मोड़ता है, जिससे एक स्थायी, फ्लेयर्ड लॉक बनता है जो इसे जगह पर रखता है।
शीत प्रसंस्करण विधि कम गर्मी उत्पन्न करती है और पीसीबी लेमिनेट या सर्किटरी को नुकसान नहीं पहुंचाएगी। सही ढंग से स्थापित होने पर, स्टड सर्किट बोर्ड की संरचना से समझौता किए बिना एक मजबूत और कंपन-प्रतिरोधी निर्धारण प्रदान करते हैं।

| बाज़ार | राजस्व (पिछला वर्ष) | कुल मुनाफा (%) |
| उत्तरी अमेरिका | गोपनीय | 20 |
| दक्षिण अमेरिका | गोपनीय | 4 |
| पूर्वी यूरोप | गोपनीय | 24 |
| दक्षिणपूर्व एशिया | गोपनीय | 2 |
| अफ़्रीका | गोपनीय | 2 |
| ओशिनिया | गोपनीय | 1 |
| मध्य पूर्व | गोपनीय | 4 |
| पूर्वी एशिया | गोपनीय | 13 |
| पश्चिमी यूरोप | गोपनीय | 18 |
| सेंट्रल अमेरिका | गोपनीय | 6 |
| उत्तरी यूरोप | गोपनीय | 2 |
| दक्षिणी यूरोप | गोपनीय | 1 |
| दक्षिण एशिया | गोपनीय | 4 |
| घरेलू बाज़ार | गोपनीय | 5 |